首页

服务与支持

Service and support

封装系列

封装名称

描述

引脚数

间距 (mm)

最大高度 (mm)

长度 (mm)

宽度 (mm)

封装图纸

TO

TO-3PF

插件

3

5.45

24.50

15.50

5.50

TO

TO-3P

插件

3

5.45

19.90

15.60

4.80

TO

TO-263

插件

3

2.54

1.10

9.90

4.50

TO

TO-252

插件

3

2.29

3.56

6.60

2.18

TO

TO-247

插件

3

5.44

21.00

15.50

5.00

TO

TO-220F

插件

3

2.54

15.87

10.16

4.70

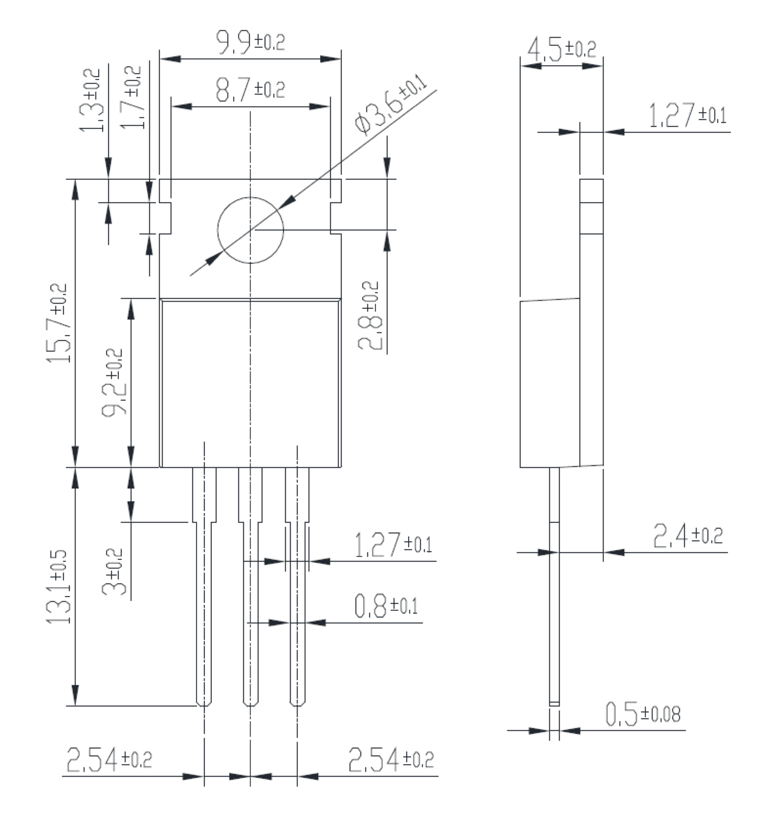
TO

TO-220

插件

3

2.54

15.70

9.90

4.50

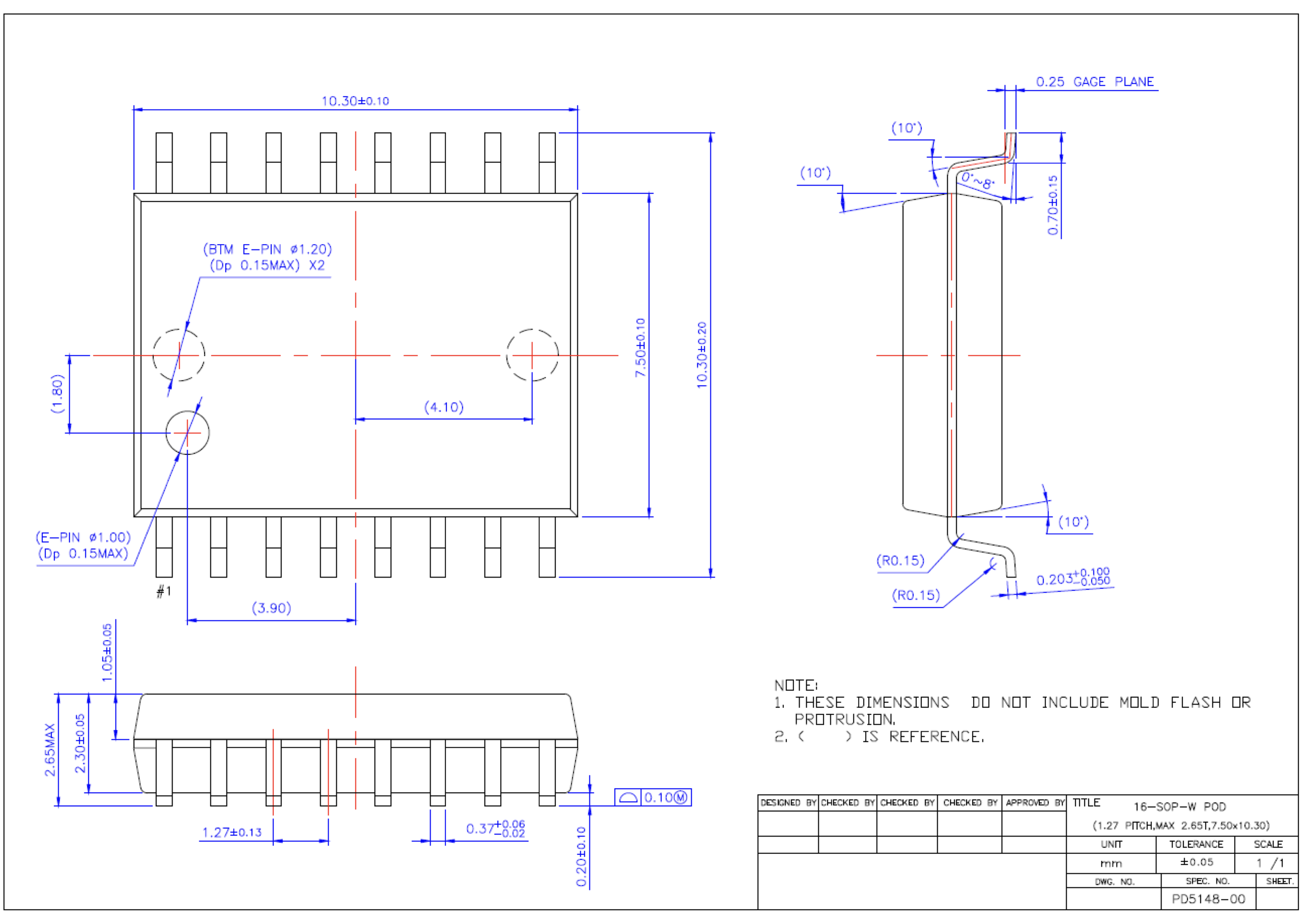
SOW

SOW-16

贴片

16

1.27

2.65

10.30

7.50

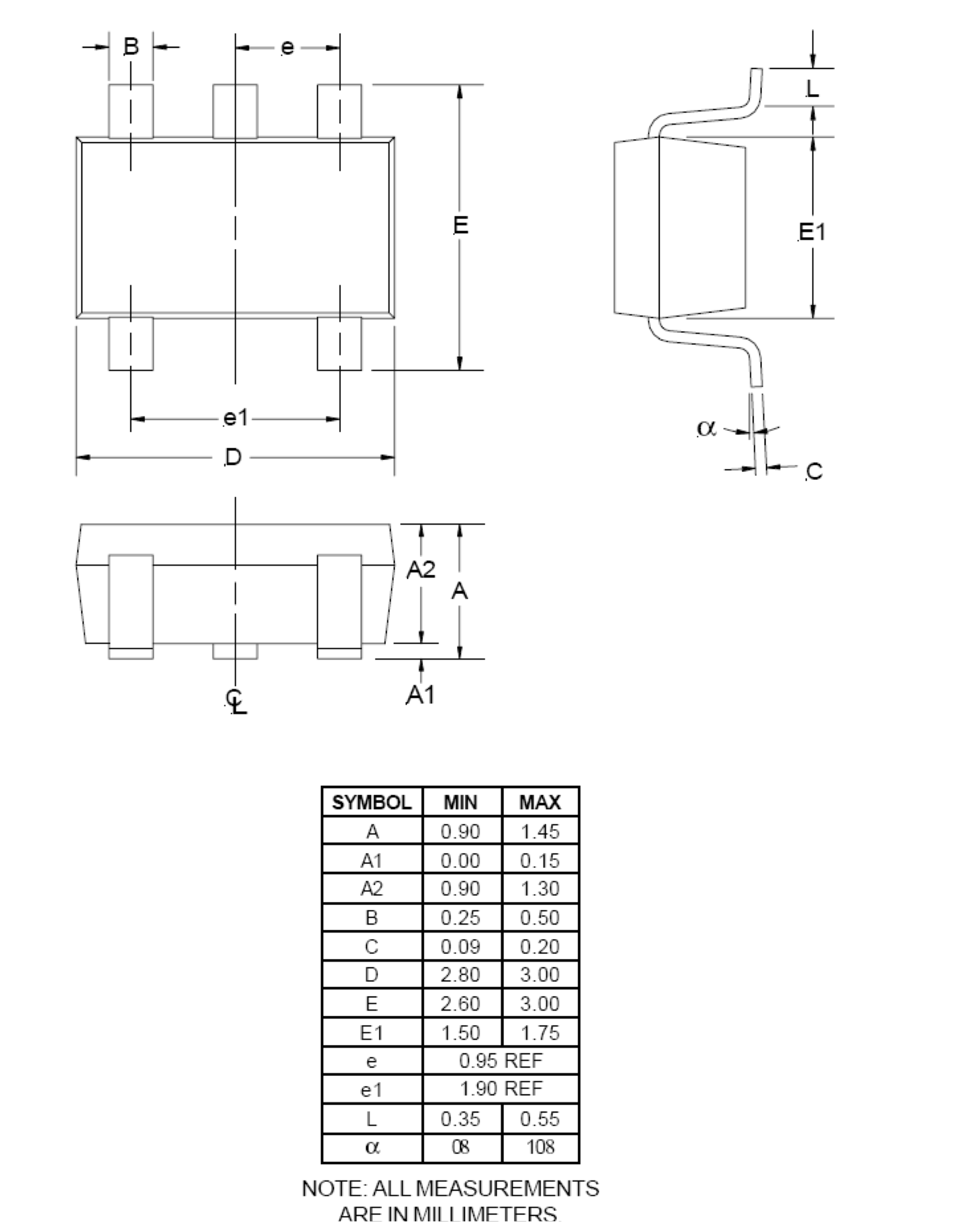
SOT

SOT23-5

贴片

5

0.95

1.18

2.90

1.63

SO

SO-8

贴片

8

1.27

1.60

4.90

3.90

SO

SO-16

贴片

16

1.27

1.75

9.90

3.90

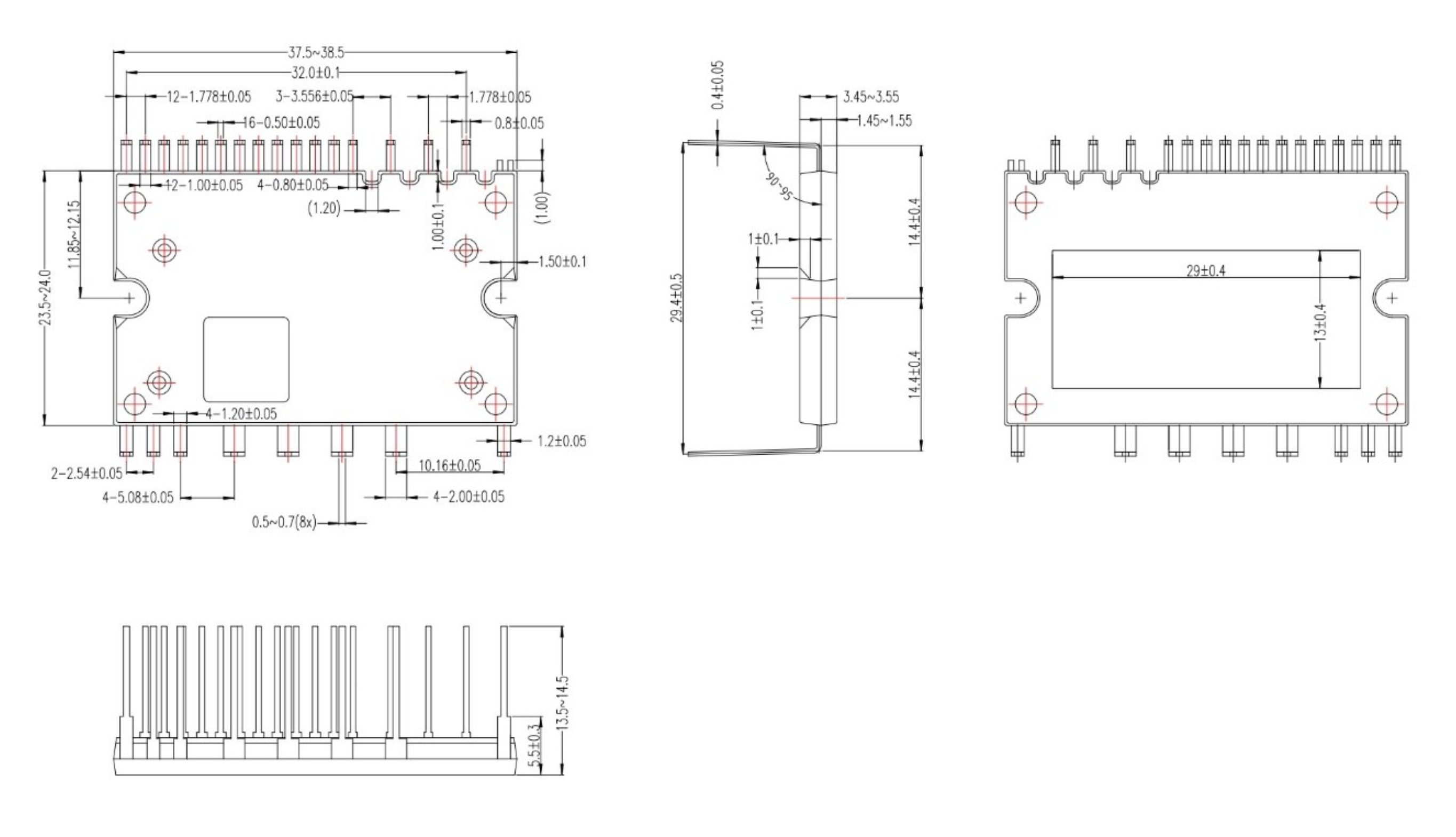
DIP

DIP27

插件

27

0

7.00

44.00

26.80

DIP

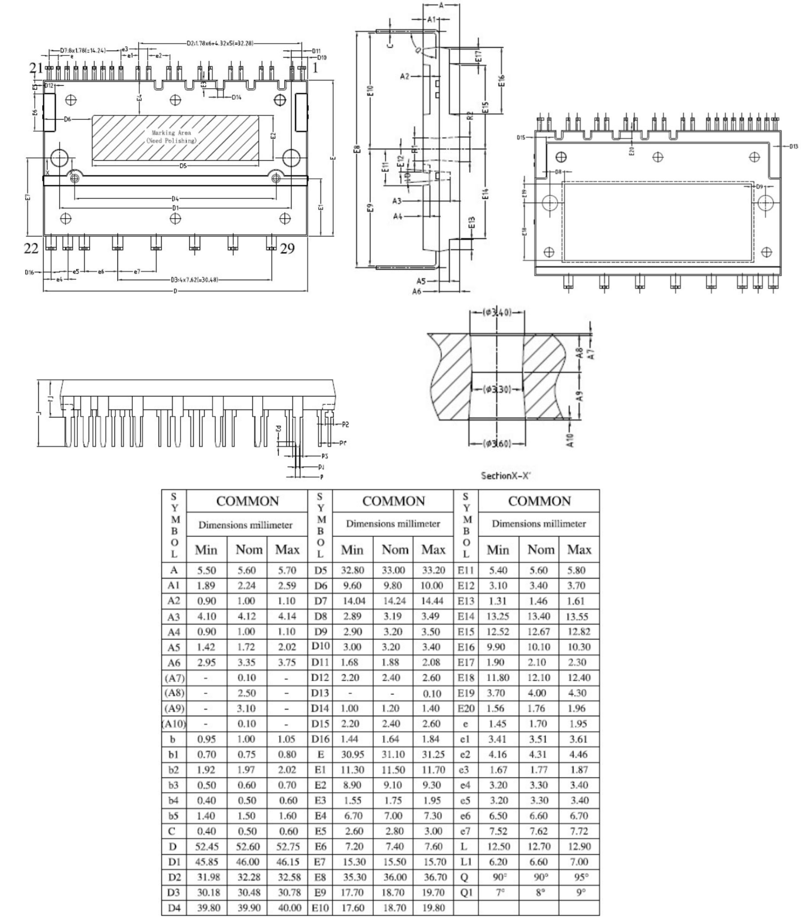
DIP29

插件

29

0

6.60

52.60

31.10

DIP

DIP24

插件

24

0

5.50

38.00

23.75

联系我们

电话:18017800257

联系人:王先生

邮箱:shenghui.wang@lanjinsh.com

地址:上海市浦东新区浦三路3058号

长青企业广场2楼208室

扫描关注微信公众号

Copyright © 上海岚槿电子科技有限公司 All Rights Reserved 版权 ,沪ICP备13075754号沪公网安备 31011702001238号