巨风半导体DIP24封装IPM模块通过UL1557认证
作者:巨风半导体 发布日期:2025-05-20浏览:459次
巨风半导体DIP24封装IPM模块顺利通过UL1557:2018标准规定的各项测试,获得UL公司依据标准颁发的UL1557认证证书(File No. E527960)。


巨风半导体DIP24封装IPM产品(600V,10A~35A)顺利通过UL1557:2018标准规定的各项测试,包括绝缘耐压测试,热老化测试等。巨风半导体DIP24封装IPM产品完全自主研发、封测,凭借过硬的技术获得了国际标准的认可,也表明了巨风半导体迈向国际化的实力与决心。
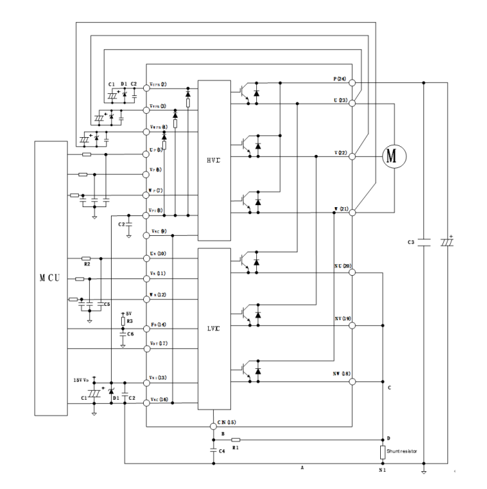
巨风半导体DIP24封装IPM产品,集成了IGBT、FRD、带保护功能的驱动芯片、自举二极管和限流电阻等,其电路拓朴如图1所示,外观如图2所示。主要应用于家用空调压缩机驱动、工业伺服及变频器等领域。以驱动电机为例,其典型应用电路如图3所示。

图1巨风半导体 DIP24 IPM内部等效电路图

图2 巨风半导体 DIP24 IPM外观图

图3 巨风半导体 DIP24 IPM典型应用
关于UL
UL是美国保险商试验所(Underwriter Laboratories Inc)的简写,同时也是全球最权威的安全检测认证机构。自1894年成立,UL迄今发布了将近1800部安全、质量和可持续性标准,其中70%以上成为美国国家标准,并且UL也是加拿大国家标准的开发机构。